Thông tin cơ bản bồn tiểu nam INAX U-440V
- Bồn tiểu nam cải tiến tiết kiệm nước, chống bám bẩn đến từ thương hiệu thiết bị vệ sinh INAX
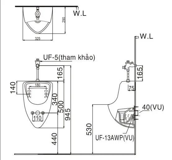
- Đã bao gồm gioăng nối tường UF-13AWP(VU)
- Màu sắc: Trắng
- Kích thước: 325 x 290 x 500 mm
- Phù hợp với loại van xả: UF-7V, OKUV-120S(A/B) , OKUV-30SM , UF-3VS
- Bồn tiểu được thiết kế nhỏ gọn, tiện dụng tạo nên không gian đẹp
- Chế độ xả thẳng, đều mạnh mẽ, tiết kiệm nước với mục xả 2L
- Phù hợp với điều kiện áp lực nước thấp
Bản vẽ bệ tiểu nam treo tường U440V INAX

Video giới thiệu bồn tiểu Inax U440 V
Sản phẩm chỉ có bồn tiểu, chưa có van xả nhấn UF-7V










