Chậu lavavbo TOTO LHT767CR chân ngắn treo tường của hãng thiết bị vệ sinh TOTO
Thông tin cơ bản chậu rửa mặt lavabo TOTO LHT767CR
Bộ sưu tập: BASIC+
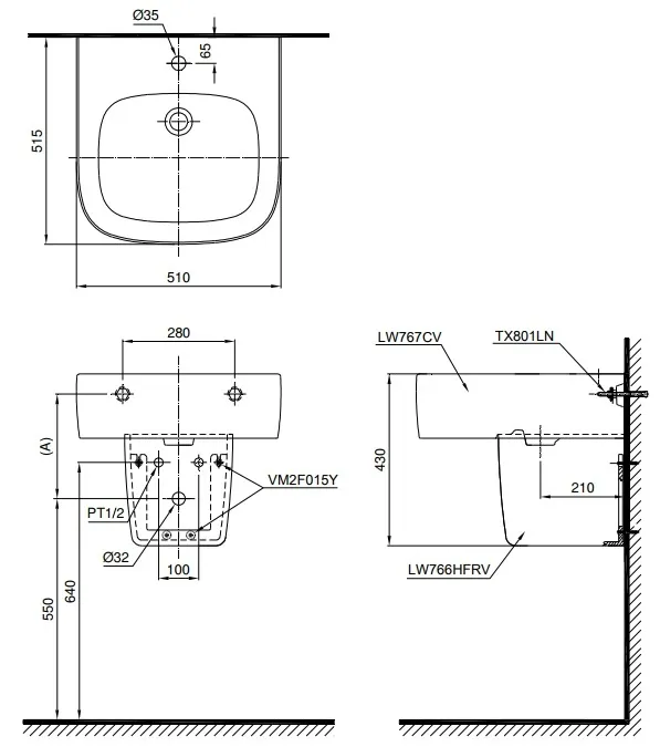
Kích thước: 510×515 mm
Màu sắc: Màu trắng
Công nghệ CeFiONtect giúp bề mặt chậu rửa siêu nhẵn, hạn chế tối đa các vết bẩn, vi khuẩn
Thiết kế đơn giản, sang trọng
Lòng chậu sâu, rộng rãi giúp thoải mái khi sử dụng
Sản phẩm không bao gồm vòi, bộ xả
Gợi ý vòi nước kết hợp: Vòi nóng lạnh (đã bao gồm chặn nước và dây cấp): TLG04301V, TLS01301V, TLG02301V, TLG03301V,…- Ống thải nước: TVLF401
Thiết kế với lỗ thoát tràn
Thân chậu: L767CR
Chân chậu lửng: L766HF
Bản vẽ bồn rửa mặt lavabo TOTO LHT767CR











