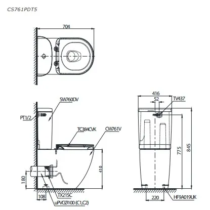
Thông tin cơ bản bồn cầu TOTO CS761PDT5
- Hệ thống xả: Tornado Siphonic Jet
- Lượng nước xả: 4.8/3L
- Thiết kế: Dáng chữ D
- Tâm xả: 180 mm, thoát ngang
- Kích thước (dài x rộng x cao):
- Áp lực nước: 0.05MPa~0.75MPa
- Màu sắc: Màu trắng
- Bao gồm van dừng và gioăng đế
- Mã sản phẩm cũ : CST761DPS
Tính năng bàn cầu TOTO CS761PDT5XW thoát ngang
- Thiết kế sang trọng, hiện đại
- Nắp đóng êm
- Phù hợp lắp đặt với nắp rửa điện tử WASHLET (tùy chọn)
- Thiết kế thân kín giúp tiết kiệm thời gian vệ sinh sản phẩm
- Bồn cầu thoát ngang thường sử dụng cho các công trình chung cư. Không có đường thoát xuống sàn
Xuất xứ Việt Nam – Bồn cầu bao gồm 3 bộ phận
- Thân cầu: C761P
- Két nước: S760D
- Nắp bồn cầu: TC384CVK
Bản vẽ kĩ thuật bồn cầu TOTO CS761PDT5#XW thoát ngang











